Трм202 Руководство По Эксплуатации

Трм202 Руководство По Эксплуатации

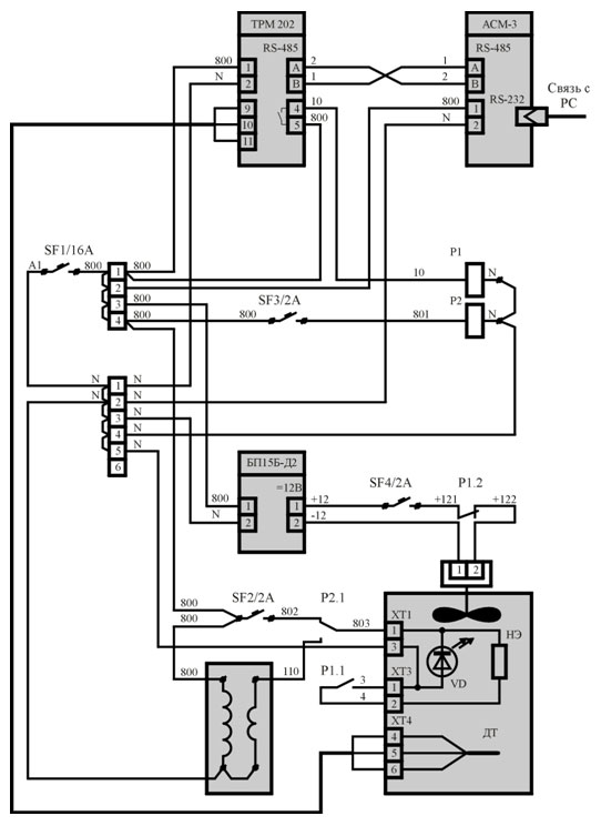
Трм202 Руководство По Эксплуатации ЦенаИзмеритель регулятор двухканальный с RS 4. ОВЕН ТРМ2. 02. Назначение прибора ТРМ2. Терморегулятор ОВЕН ТРМ2. ОВЕН 2. ТРМ1 с интерфейсом RS 4. Применяется для измерения, регистрации или регулирования температуры теплоносителей и различных сред в холодильной технике, сушильных шкафах, печах различного назначения, пастеризаторах и другом технологическом оборудовании, а также для измерения других физических параметров веса, давления, влажности и т. Можно подключать два датчика разного типа. ДВА НЕЗАВИСИМЫХ КАНАЛА РЕГУЛИРОВАНИЯ измеряемых величин по двухпозиционному закону или аналоговому П закону. РЕГУЛИРОВАНИЕ И ОДНОВРЕМЕННАЯ РЕГИСТРАЦИЯ измеряемой величины при установке ЦАП 4. Трм202 Руководство По Эксплуатации' title='Трм202 Руководство По Эксплуатации' />Трм202 Руководство По Эксплуатации В ВордеОвен Трм202 Руководство По ЭксплуатацииНастоящий паспорт и руководство по эксплуатации предназначены для ознакомления об служивающего персонала с устройством, принципом действия, конструкцией, порядком эксплуа тации и обслуживания измерителейрегуляторов двухканальных измерителейрегуляторов. Разрешение 2ТРМ0, ТРМ200, ТРМ1, ТРМ201, 2ТРМ1 ТРМ202, ТРМ10, ТРМ210, ТРМ12, ТРМ212 ZIP, 464 Кб. Сертификат средств измерений ТРМ200 Россия ZIP, 242 Кб. Сертификат средств измерений ТРМ200 Беларусь ZIP, 369 Кб. Руководство по эксплуатации ТРМ202 PDF, 1. Мб. Руководство по эксплуатации измеритель регулятора ОВЕН ТРМ202. Руководство по эксплуатации преобразователя частоты Lenze ESMD на русском и английском языках. Устройство и работа. Предприятие изготовитель оставляет за собой право вносить изменения в конструкцию. ОВЕН ТРМ202Щ1. РИ имеет два универсальных входа, один релейный и один токовый 420 мА управляющих выхода и интерфейс RS485 протокол ОВЕН. Сертификат средств измерений ТРМ200, ТРМ201, ТРМ202, ТРМ210, ТРМ212 Казахстан. Сертификат средств измерений ТРМ200, ТРМ201, ТРМ202, ТРМ210, ТРМ212 Россия. Краткая инструкция ТРМ202 Краткая инструкция по работе с ТРМ202 по Modbus. Игры С Расчелененкой. Краткая инструкция ТРМ202.

Навигация

Трм202 Руководство По Эксплуатации
© 2017